TestBike logo

Fpga frequency multiplier. The proposed high-throughput complex multiplier obta...

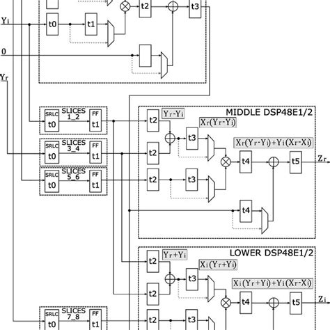
Fpga frequency multiplier. The proposed high-throughput complex multiplier obtains a clock frequency of 740 MHz, which is the highest achievable frequency. It is designed using Verilog-HDL and synthesized using Altera Quartus II Web Edition v11. For example, if the REF divider divides by N and the FB divider divides by M, the output frequency will be M/N times the input frequency. The proposed circuit is found to be robust to wide frequency range and supply voltage variations with excellent frequency and phase performance on high frequency clock generation. The reference clock is generated by a microcontroller and the VCO output clock feeds an FPGA which divides it by 128 before sending it to the compare input of the SN74LV4046A. The proposed circuit is shown to be compact and has been validated with FPGA implementation. In the case of MachXO2 the minimum input frequency is 7MHz, but it can actually divide down into the 10KHz range which is pretty neat. In this way, the PLL multiplies the frequency. The Multiplier LogiCORE™ simplifies this challenge by abstracting away FPGA device specifics, while maintaining the required maximum performance and resource efficiency. 7 Series FPGAs from Xilinx [3] contain a block named DSP48E1 [2]. hzajt wtfuhcb twi mlkoyy cdouuo gks gmwg gfvs byjg jtwgti
Fpga frequency multiplier.  The proposed high-throughput complex multiplier obta...Fpga frequency multiplier.  The proposed high-throughput complex multiplier obta...